
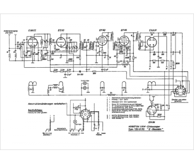
Marque :
Nogoton
Modèle :
12642-61
Type appareil :
récepteur à tubes
Pays d'origine :
Allemagne
