
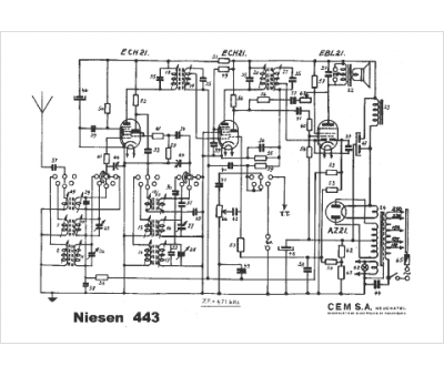
Marque :
Niesen
Modèle :
443
Type appareil :
récepteur à tubes
Pays d'origine :
Suisse
