
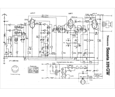
Marque :
Niemann
Modèle :
Sonata 370 GW
Type appareil :
récepteur à tubes
Pays d'origine :
Allemagne
