
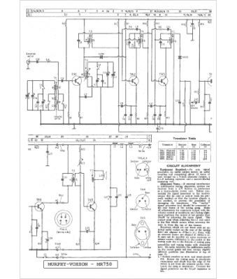
Marque :
Murphy
Modèle :
Voxson MR 750
Type appareil :
récepteur à tubes
Pays d'origine :
Grande-Bretagne
