
Marque :
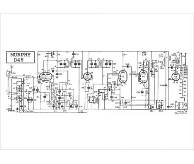
Murphy
Modèle :
D 48
Type appareil :
récepteur à tubes
Année :
1938
Pays d'origine :
Grande-Bretagne
