
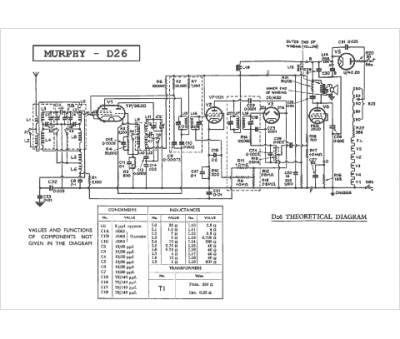
Marque :
Murphy
Modèle :
D 26
Type appareil :
récepteur à tubes
Année :
1935
Pays d'origine :
Grande-Bretagne
