
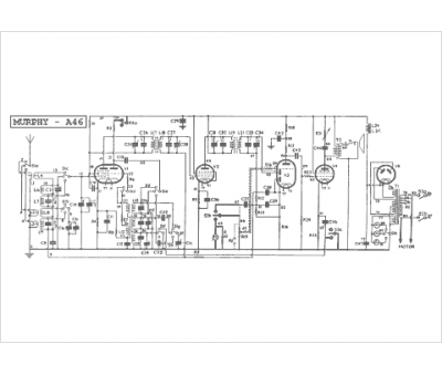
Marque :
Murphy
Modèle :
A 46
Type appareil :
récepteur à tubes
Année :
1938
Pays d'origine :
Grande-Bretagne
