
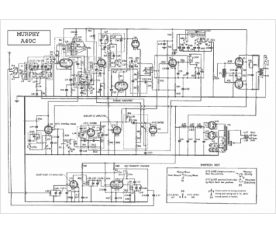
Marque :
Murphy
Modèle :
A 40 C
Type appareil :
récepteur à tubes
Année :
1937
Pays d'origine :
Grande-Bretagne
