
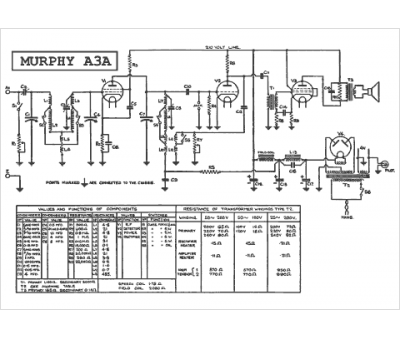
Marque :
Murphy
Modèle :
A 3 A
Type appareil :
récepteur à tubes
Pays d'origine :
Grande-Bretagne
