
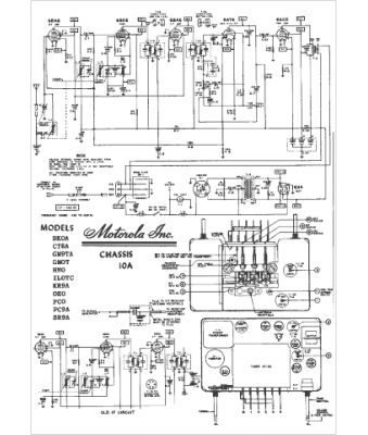
Marque :
Motorola
Modèle :
KR9A
Type appareil :
récepteur à tubes
Année :
1951
Pays d'origine :
États-Unis
