
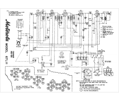
Marque :
Motorola
Modèle :
HS-59
Type appareil :
récepteur à tubes
Année :
1948
Pays d'origine :
États-Unis
