
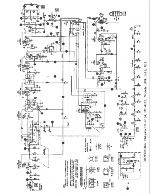
Marque :
Motorola
Modèle :
HS-4134
Type appareil :
récepteur à tubes
Pays d'origine :
États-Unis
