
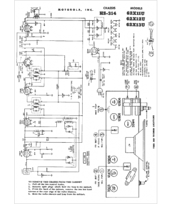
Marque :
Motorola
Modèle :
HS-314
Type appareil :
récepteur à tubes
Année :
1952
Pays d'origine :
États-Unis
