
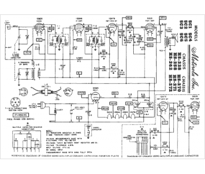
Marque :
Motorola
Modèle :
HS-272
Type appareil :
récepteur à tubes
Pays d'origine :
États-Unis
