
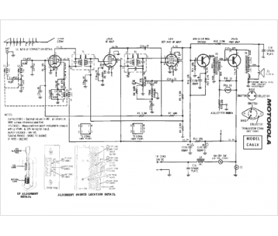
Marque :
Motorola
Modèle :
CA61X
Type appareil :
récepteur à tubes
Année :
1962
Pays d'origine :
États-Unis
