
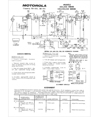
Marque :
Motorola
Modèle :
C21
Type appareil :
récepteur à tubes
Année :
1963
Pays d'origine :
États-Unis
