
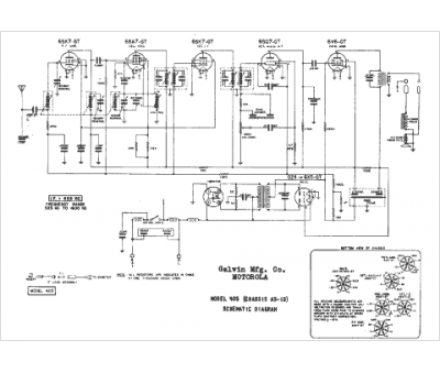
Marque :
Motorola
Modèle :
AS-13
Type appareil :
récepteur à tubes
Année :
1946
Pays d'origine :
États-Unis
