
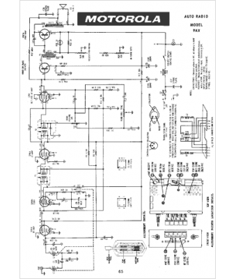
Marque :
Motorola
Modèle :
9AX
Type appareil :
récepteur à tubes
Année :
1959
Pays d'origine :
États-Unis
