
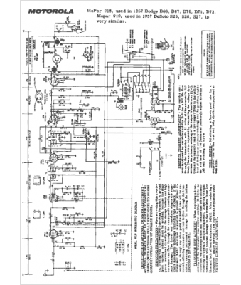
Marque :
Motorola
Modèle :
918
Type appareil :
récepteur à tubes
Année :
1957
Pays d'origine :
États-Unis
