
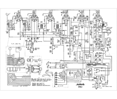
Marque :
Motorola
Modèle :
89K1
Type appareil :
récepteur à tubes
Année :
1939
Pays d'origine :
États-Unis
