
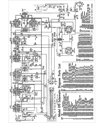
Marque :
Motorola
Modèle :
8-70
Type appareil :
récepteur à tubes
Année :
1938
Pays d'origine :
États-Unis
