
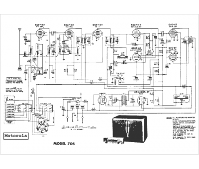
Marque :
Motorola
Modèle :
705
Type appareil :
récepteur à tubes
Année :
1947
Pays d'origine :
États-Unis
