
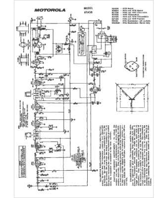
Marque :
Motorola
Modèle :
6TAS8
Type appareil :
récepteur à tubes
Année :
1956
Pays d'origine :
États-Unis
