
Marque :
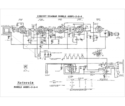
Motorola
Modèle :
65-BP4
Type appareil :
récepteur à tubes
Pays d'origine :
États-Unis
