
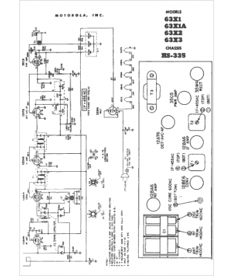
Marque :
Motorola
Modèle :
63X2
Type appareil :
récepteur à tubes
Année :
1954
Pays d'origine :
États-Unis
