
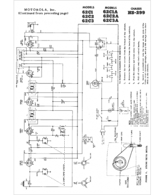
Marque :
Motorola
Modèle :
62C3
Type appareil :
récepteur à tubes
Année :
1953
Pays d'origine :
États-Unis
