
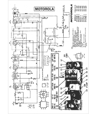
Marque :
Motorola
Modèle :
5P23WB-1
Type appareil :
récepteur à tubes
Année :
1959
Pays d'origine :
États-Unis
