
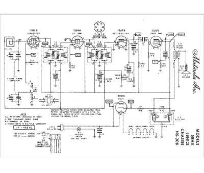
Marque :
Motorola
Modèle :
59H11
Type appareil :
récepteur à tubes
Année :
1950
Pays d'origine :
États-Unis
