
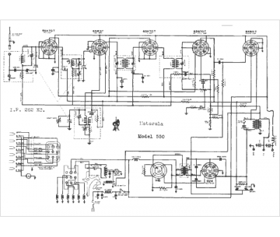
Marque :
Motorola
Modèle :
550
Type appareil :
récepteur à tubes
Année :
1940
Pays d'origine :
États-Unis
