
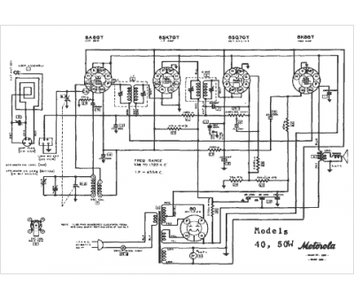
Marque :
Motorola
Modèle :
50W
Type appareil :
récepteur à tubes
Année :
1941
Pays d'origine :
États-Unis
