
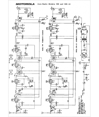
Marque :
Motorola
Modèle :
392-12
Type appareil :
récepteur à tubes
Année :
1955
Pays d'origine :
États-Unis
