
Marque :
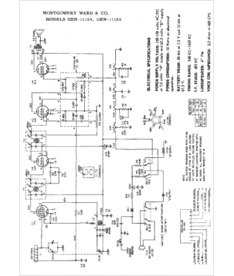
Montgomery Ward
Modèle :
GEN-1116A
Type appareil :
récepteur à tubes
Pays d'origine :
États-Unis
