
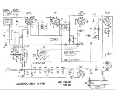
Marque :
Montgomery Ward
Modèle :
93WG-604
Type appareil :
récepteur à tubes
Pays d'origine :
États-Unis
