
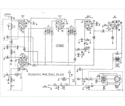
Marque :
Montgomery Ward
Modèle :
62-554
Type appareil :
récepteur à tubes
Année :
1939
Pays d'origine :
États-Unis
