
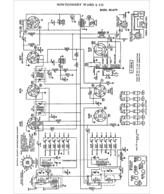
Marque :
Montgomery Ward
Modèle :
62-479
Type appareil :
récepteur à tubes
Année :
1938
Pays d'origine :
États-Unis
