
Marque :
Montgomery Ward
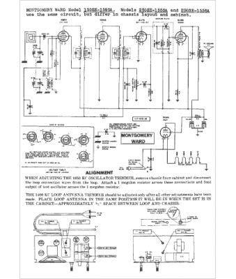
Modèle :
25GSE-1555A
Type appareil :
récepteur à tubes
Pays d'origine :
États-Unis
