
Marque :
Montgomery Ward
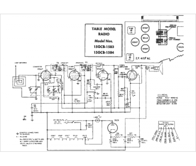
Modèle :
15GCB-1583
Type appareil :
récepteur à tubes
Pays d'origine :
États-Unis
