
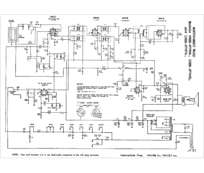
Marque :
Montgomery Ward
Modèle :
15BR-2757A
Type appareil :
récepteur à tubes
Année :
1951
Pays d'origine :
États-Unis
