
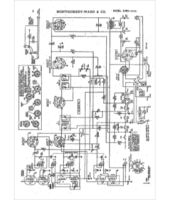
Marque :
Montgomery Ward
Modèle :
14WG-683B
Type appareil :
récepteur à tubes
Année :
1942
Pays d'origine :
États-Unis
