
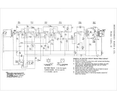
Marque :
Montgomery Ward
Modèle :
1120A
Type appareil :
récepteur à tubes
Année :
1959
Pays d'origine :
États-Unis
