
Marque :
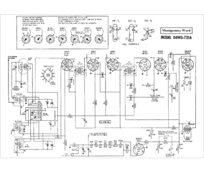
Montgomery Ward
Modèle :
04WG-731A
Type appareil :
récepteur à tubes
Année :
1941
Pays d'origine :
États-Unis
