
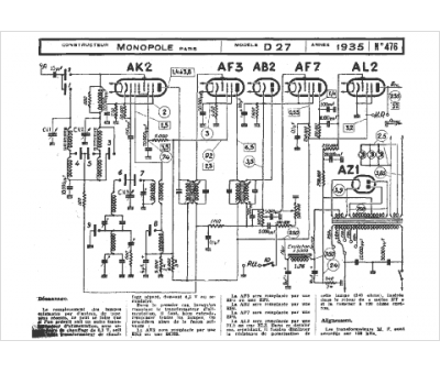
Marque :
Monopole
Modèle :
D27
Type appareil :
récepteur à tubes
Année :
1935
Pays d'origine :
France
