
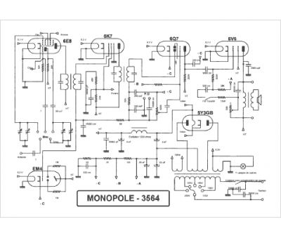
Marque :
Monopole
Modèle :
3564
Type appareil :
récepteur à tubes
Pays d'origine :
France
