
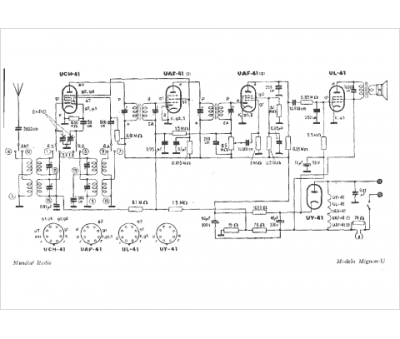
Marque :
Mondial Radio
Modèle :
Mignon U
Type appareil :
récepteur à tubes
Pays d'origine :
Espagne
