
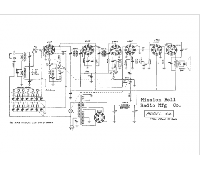
Marque :
Mission Bell
Modèle :
416
Type appareil :
récepteur à tubes
Année :
1939
Pays d'origine :
États-Unis
