
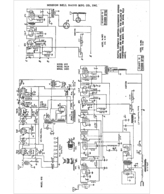
Marque :
Mission Bell
Modèle :
3821
Type appareil :
récepteur à tubes
Année :
1942
Pays d'origine :
États-Unis
