
Marque :
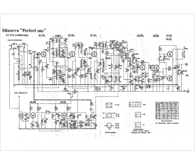
Minerva
Modèle :
Perfect 652
Type appareil :
récepteur à tubes
Pays d'origine :
Autriche, Italie, Suisse, Allemagne
