
Marque :
Minerva
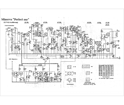
Modèle :
Minerva Perfect 652
Type appareil :
récepteur à transistors
Pays d'origine :
Autriche, Italie, Suisse, Allemagne
