
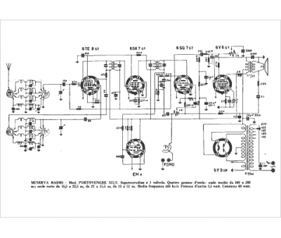
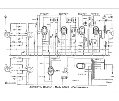
Marque :
Minerva
Modèle :
535-3 Portovenere
Type appareil :
récepteur à tubes
Pays d'origine :
Autriche, Italie, Suisse, Allemagne
