
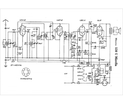
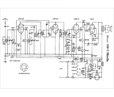
Marque :
Minerva
Modèle :
530 U Mirella
Type appareil :
mire TV
Pays d'origine :
Autriche, Italie, Suisse, Allemagne
